会员登录
会员注册
English
标题检索
全文检索
首页
协会概况
协会简介
协会章程
协会负责人
组织机构
部门职责
协会荣誉
协会文化
协会品牌
指导意见
新闻中心
中央精神
部委信息
政策法规
国内核新闻
国际核新闻
会员动态
协会动态
协会通知
业务服务
综合管理
战略研究
科技奖励
技术服务
核电运行
核电建设
国际合作
信息化
党建文化
分支机构
专家委员会
核能公众沟通委员会
核应急委员会
团体标准化委员会
核电分会
核电运行技术委员会
核电建设技术委员会
职业技能竞赛委员会
信息化专业委员会
先进核能系统委员会
核技术应用委员会
核安全质量环境工作委员会
重要活动
协会年度重要活动计划
核能可持续发展论坛
中国国际核电工业展览会
核电运行与建设经验交流会
核能公众沟通交流大会
核技术应用产业国际大会
核应急交流大会
核能科技奖评审会
核协团标标准周
核安全文化经验交流会
职业技能竞赛
成果共享
会员服务
团体标准
智库研究
行业报告
出版物
良好实践
会员管理
会员管理系统
会员名录
会费管理办法
会员管理办法
会员基本服务
申请入会程序
信息公开
社会团体法人登记证书
协会收费信息
协会收费自律承诺书
核能行业自律公约
协会年度工作报告
党建园地
党委动态
支部动态
党委制度
支部制度
党员加油站
党群活动
通知公告
云端博物馆
首页
协会概况
协会简介
协会章程
协会负责人
组织机构
部门职责
协会荣誉
协会文化
协会品牌
指导意见
新闻中心
中央精神
部委信息
政策法规
国内核新闻
国际核新闻
会员动态
协会动态
协会通知
业务服务
综合管理
战略研究
科技奖励
技术服务
核电运行
核电建设
国际合作
信息化
党建文化
分支机构
专家委员会
核能公众沟通委员会
核应急委员会
团体标准化委员会
核电分会
核电运行技术委员会
核电建设技术委员会
职业技能竞赛委员会
信息化专业委员会
先进核能系统委员会
核技术应用委员会
核安全质量环境工作委员会
重要活动
协会年度重要活动计划
核能可持续发展论坛
中国国际核电工业展览会
核电运行与建设经验交流会
核能公众沟通交流大会
核技术应用产业国际大会
核应急交流大会
核能科技奖评审会
核协团标标准周
核安全文化经验交流会
职业技能竞赛
成果共享
会员服务
团体标准
智库研究
行业报告
出版物
良好实践
会员管理
会员管理系统
会员名录
会费管理办法
会员管理办法
会员基本服务
申请入会程序
信息公开
社会团体法人登记证书
协会收费信息
协会收费自律承诺书
核能行业自律公约
协会年度工作报告
党建园地
党委动态
支部动态
党委制度
支部制度
党员加油站
党群活动
通知公告
云端博物馆
首页
>
成果共享
>
行业报告
导航分类
成果共享
会员服务
团体标准
智库研究
行业报告
出版物
良好实践
核电运行
核电建设
核安全质量环境
数智化与网络安全
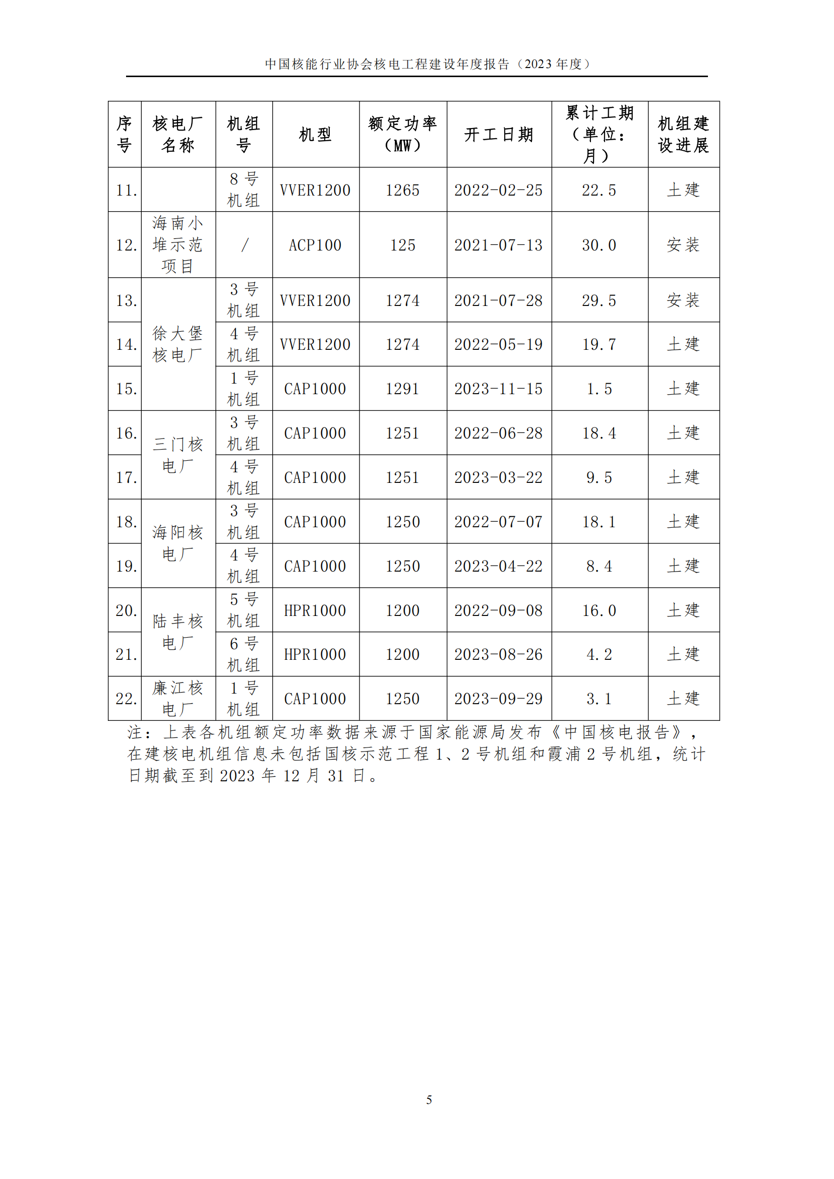
我国核电工程建设年度报告(2023年度)
时间:2024年06月07日
来源:本站
作者:核电建设部
分享:
友情链接:
政府站点
中央社会工作部
国家发改委
科学技术部
工信部
民政部
人力资源和社会保障部
生态环境部
国家市场监管总局
国家能源局
国家国防科工局
国家核安全局
国家原子能机构
副理事长单位
中国核工业集团有限公司
中国广核集团有限公司
国家电力投资集团有限公司
中国华能集团有限公司
哈尔滨电气集团有限公司
中国东方电气集团有限公司
上海电气集团股份有限公司
中国大唐集团公司
国家能源投资集团有限责任公司
中国华电集团有限公司
清华大学
中国一重集团有限公司
中国核能电力股份有限公司
中国广核电力股份有限公司
国电投核能有限公司
华能核电开发有限公司
中国核工业建设股份有限公司
大亚湾核电运营管理有限责任公司
中国核动力研究设计院
华龙国际核电技术有限公司
上海阿波罗机械股份有限公司
机构组织
IAEA国际原子能机构
IEA国际能源署
中国电力企业联合会
中国核学会
韩国原子力产业协会
东亚核能论坛
中国核工业勘察设计协会
中国核仪器行业协会
中国同位素与辐射行业协会
媒体网站
人民网
新华网
央广网
中国新闻网
凤凰网
新浪网
腾讯网
搜狐网
你知道你的Internet Explorer是过时了吗?
为了得到我们网站最好的体验效果,我们建议您升级到最新版本的Internet Explorer或选择另一个web浏览器.一个列表最流行的web浏览器在下面可以找到.