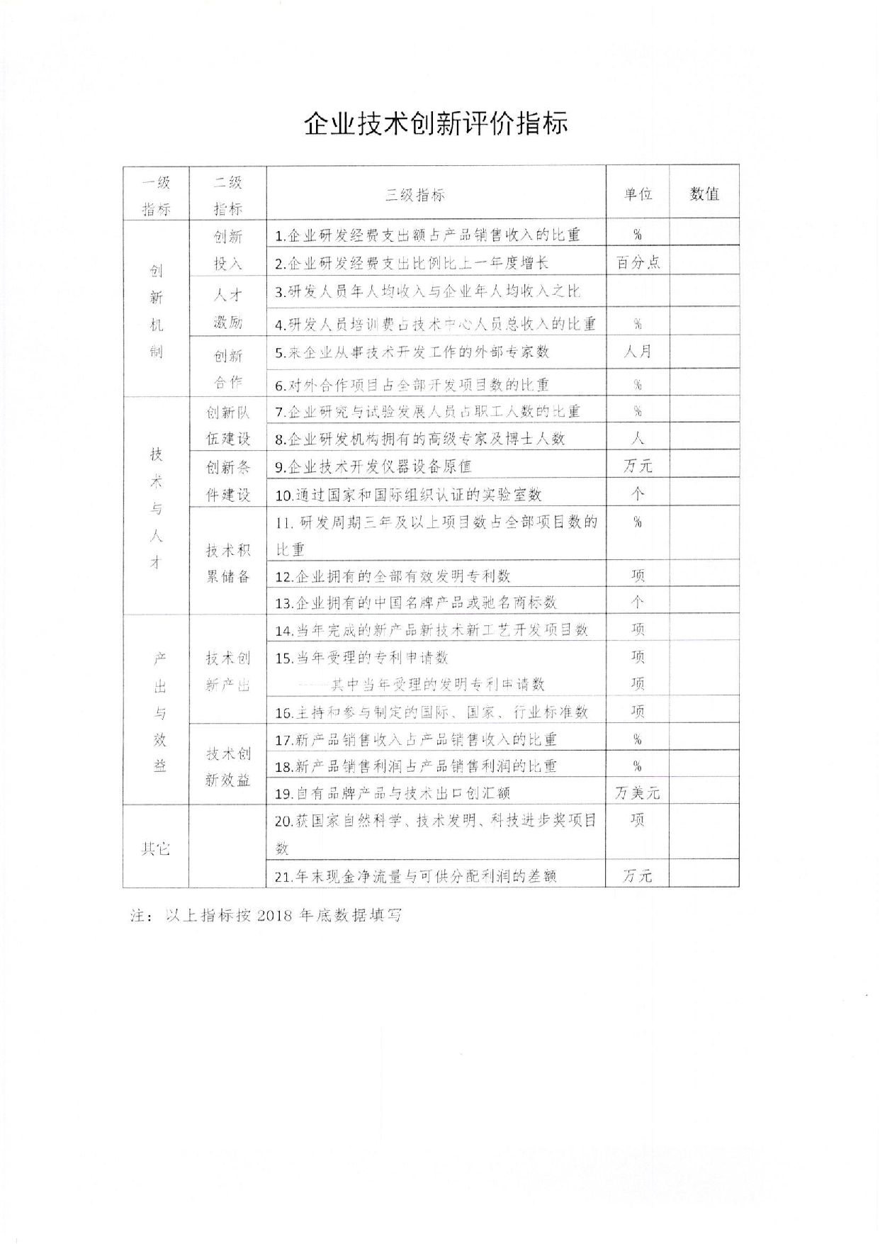
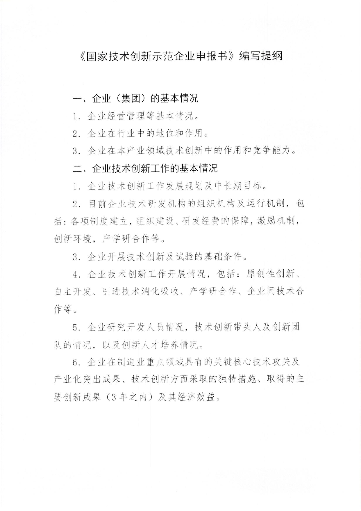
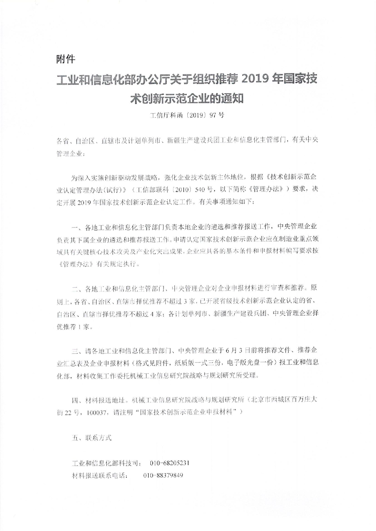
中国核能行业协会中小企业专委会关于转发《工业和信息化部办公厅关于组织推荐2019年国家技术创新示范企业的通知》的通知.pdf
为了得到我们网站最好的体验效果,我们建议您升级到最新版本的Internet Explorer或选择另一个web浏览器.一个列表最流行的web浏览器在下面可以找到.